
Lütfen sipariş vermeden önce, pulluğunuzla tam uyum için teknik ölçüleri dikkatlice kontrol ediniz.
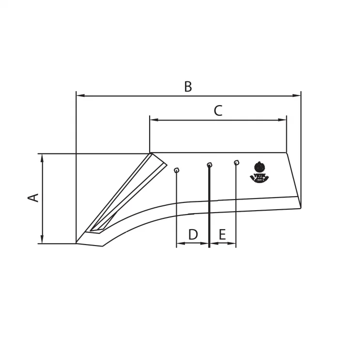
| Ürün Kodu | Ürün İsmi | A (mm) | B (mm) | C (mm) | D (mm) | E (mm) | Kalınlık | Ağırlık |
|---|---|---|---|---|---|---|---|---|
| 15105 | 10" Pulluk Ucu | 197 | 480 | 275 | 55 | 58 | 10 mm | 4110 gr |
| 15110 | 12" Pulluk Ucu | 200 | 500 | 300 | 37 | 30 | 10 mm | 4920 gr |
Güvenilir ve sağlam pulluklarıyla tanınan Aktaş markasının performansını, tarlada en çok çalışan parça olan uç demirini yenileyerek koruyun ve artırın. Zirai Sepet, Aktaş pulluklarınız için özel olarak tasarlanmış, yüksek kaliteli ve tam uyumlu Yetik marka pulluk uç demirlerini sunar. Pulluğun toprağa batmasını, ilerlemesini ve toprağı kaldırmasını sağlayan bu kritik parça, aşındığında tüm sürüm kalitesini ve verimliliğini düşürür.
Aktaş pulluğunuzdan en iyi verimi almaya devam etmek için doğru yedek parçayı seçin. Zirai Sepet güvencesiyle, ihtiyacınız olan Yetik marka Aktaş uyumlu uç demirini seçin ve ZiraiSepet.com üzerinden kolayca sipariş verin!
Sipariş ve Teslimat Bilgilendirmesi
Stokta bulunan ürünler için:
Siparişinizi saat 18:00’e kadar verirseniz, aynı gün kargoya teslim edilir ve genellikle ertesi gün adresinize ulaşır.
18:00’den sonra verilen siparişler:
Ürün stokta mevcutsa, ertesi gün kargoya verilir.
Stokta olmayan ürünler için:
Ürün tedarik süresine bağlı olarak, 1 ila 30 iş günü içerisinde teslim edilir.





















